光システムさんの見積もり
一本の勧誘電話から始まった太陽光発電の設置。
最初の業者はエコショップ秋田という訪問販売が主流の業者さんでした。
このセールスマンがとっても話がうまくてね。
太陽光発電のうまみなど、ぺらぺらとよく教えてくださる。
しかし、うちの嫁さんとはどうも相性が悪かった。胡散臭く感じたんでしょうねえ。
一度はハンコを押すものの、思い直してソーラーパートナーズに相談して紹介されたのが、秋田県内の公共施設への太陽光設置も積極的な光システムさん。社長さんはこんな人みたいですよ。
そして、光システムさんの出した見積書です。

詳しいところは業者さんの都合もあるでしょうからモザイクですけど、1kwあたり26万5,000円ですね。最近はもっと安いところもあるみたいですけど。最初に契約したエコショップ秋田の見積もりでは10万以上高かったので。これ以上掛かり増しにならないことを願っています。
他に、太陽光発電のシミュレーションしたものがこちら
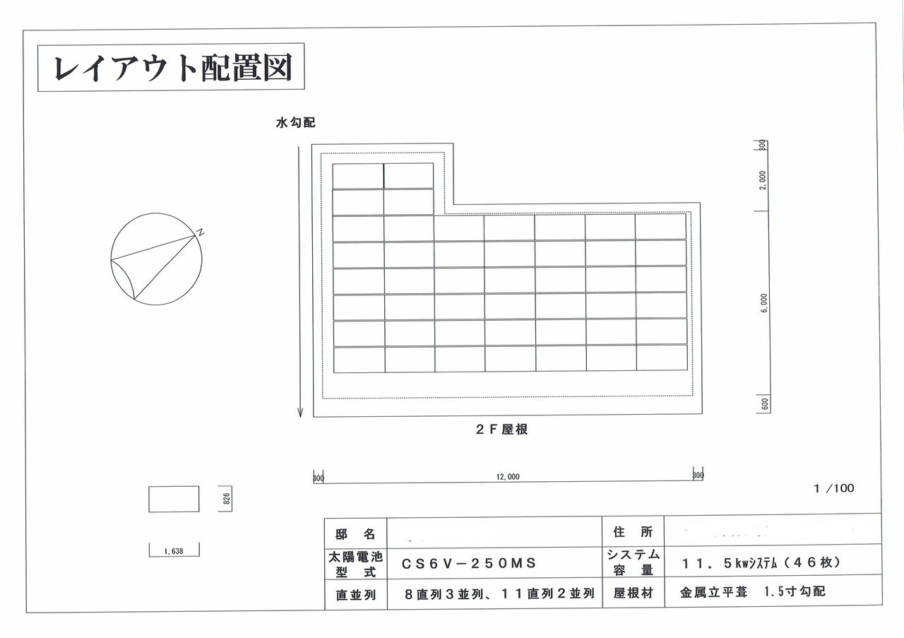
こんな感じで屋根に設置します。

さあ、どんだけ発電するのか今から楽しみです。実際の工事は3月でしょうか。
その前にいろいろ手続きがありまして、今もまだ東北電力からの接続承認下りていません。
そのことはまた改めて書いてみたいと思います。
最初の業者はエコショップ秋田という訪問販売が主流の業者さんでした。
このセールスマンがとっても話がうまくてね。
太陽光発電のうまみなど、ぺらぺらとよく教えてくださる。
しかし、うちの嫁さんとはどうも相性が悪かった。胡散臭く感じたんでしょうねえ。
一度はハンコを押すものの、思い直してソーラーパートナーズに相談して紹介されたのが、秋田県内の公共施設への太陽光設置も積極的な光システムさん。社長さんはこんな人みたいですよ。
そして、光システムさんの出した見積書です。

詳しいところは業者さんの都合もあるでしょうからモザイクですけど、1kwあたり26万5,000円ですね。最近はもっと安いところもあるみたいですけど。最初に契約したエコショップ秋田の見積もりでは10万以上高かったので。これ以上掛かり増しにならないことを願っています。
他に、太陽光発電のシミュレーションしたものがこちら

こんな感じで屋根に設置します。

さあ、どんだけ発電するのか今から楽しみです。実際の工事は3月でしょうか。
その前にいろいろ手続きがありまして、今もまだ東北電力からの接続承認下りていません。
そのことはまた改めて書いてみたいと思います。